Thursday, April 2, 2026     
     Serving the Electronic Industries for Over 33 Years
Potter & Brumfield Tyco  Relays & Socket Logo
Nte Relays, Capacitors, Resistors, & Pot Trims logo
PRP Resistor Logo
Sycom Surge Suppression Devices& UPS
     Electronic Components Distributor Logo                        
 Home
  |  View Account   |    Engineer's Corner    |  Contact Us  |  Cross Reference  |  Line Card  |  0 Item
Part Search
NTE Cross Ref. Search
Login
SRI Live Chat Help
call us email us contact us

Product Links

Inside SRI

About SRI
Contact Us
Careers
Link to Us!
Feedback

SRI-Newsletter
Subscribe to our newsletter to receive monthly specials, manufacturer's feature, and electronics news via email.

See Our latest release of SRI-Newsletter here

View Our List of Archived Newsletter Articles


SRI Links

Visit our Sister Site,

Distributor of

Industrial Products

  Web Search ..
  Powered by;

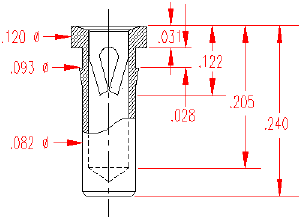
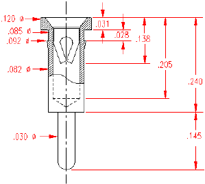
 Pin Receptacles
Pin Receptacles for .032-.047 dia. Pins
 SPECIFICATIONS
Terminal Material: Brass Alloy 360, 1/2 Hard Contact Material: Beryllium Copper Alloy 172 HT
Tolerances:
   Lengths - ±.005
   Diameters - ±.002
   Angles - 2° Note: All dimensions are in inches
Part Builder and Ordering Information
                    
FP4063 -  X -   XX XX -   XX
     
Series Pin length
"A"
    Terminal
Plating
  Contact
Type
Contact
Plating
FP4063
FP4064
FP4065
FP4066
FP4067
FP4071
FP4072
FP4073
FP4074
FP4076
FP4078
FP4080
FP4081
FP4182
FP4183
FP4118
FP4119
FP4129
FP2006
see specs below     01 - 200u" Tin over 100u"
Nickel
02 - 10u" Gold over 100u" Nickel
03 - 30u" Gold over 100u" Nickel
04 - 50u" Gold over 100u" Nickel
    42
See contact type
11 - 150u" Tin over 50u" Nickel
12 - 10u" Gold over 50u" Nickel
13 - 30u" Gold over 50u" Nickel
14 - 50u" Gold over 50u" Nickel
4063

P/N     Board Thk   A
----------------------
4063-1     .031   .062
4063-2     .062   .094
4063-3     .094   .125
4063-4     .125   .156
4063-5     .188   .219


Swage Mount in .094 Min. Mtg, Hole
4064

#20A Crimp Barrel
4065

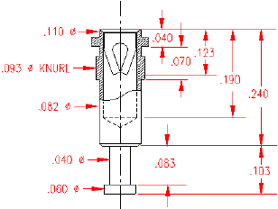
.082 Min. Mtg. Hole
4066

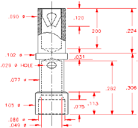
.089 Min. Mtg. Hole
4071

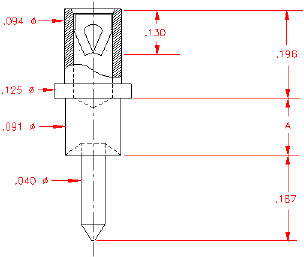
Hex Press-fit in .076 Min. Mtg. Hole
4067

P/N      B    A
----------------
4067-1 .206 .180
4067-2 .226 .200
4067-3 .270 .241
4067-4 .280 .250

.075 Min. Mtg. Hole
4072

.075 Min. Mtg. Hole
>4073

.078 Min. Mtg, Hole
4074

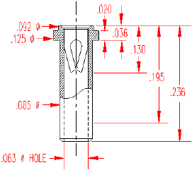
.091 Min. Mtg. Hole
4075

.087 Min. Mtg. Hole
4076

.089 Min. Mtg. Hole
4077

.087 Min. Mtg. Hole
4078

.087 Min. Mtg. Hole
4079


.089 Min. Mtg. Hole
4080

.089 Min. Mtg. Hole
4081

.089 Min. Mtg. Hole

**Specifications subject to changes**
[Go to Search] [Back]