Thursday, April 2, 2026     
     Serving the Electronic Industries for Over 33 Years
ECG NTE Relays Switches Meter Capacitor & Potentiometers logo
cooper wiring devices logo
E-Lab Semiconductors logo
EDI Bridges and Diodes Logo
     Electronic Components Distributor Logo                        
 Home
  |  View Account   |    Engineer's Corner    |  Contact Us  |  Cross Reference  |  Line Card  |  0 Item
Part Search
NTE Cross Ref. Search
Login
SRI Live Chat Help
call us email us contact us

Product Links

Inside SRI

About SRI
Contact Us
Careers
Link to Us!
Feedback

SRI-Newsletter
Subscribe to our newsletter to receive monthly specials, manufacturer's feature, and electronics news via email.

See Our latest release of SRI-Newsletter here

View Our List of Archived Newsletter Articles


SRI Links

Visit our Sister Site,

Distributor of

Industrial Products

  Web Search ..
  Powered by;

 Pin Receptacles
Pin Receptacles for .015-.025 dia. Pins
 SPECIFICATIONS
Terminal Material: Brass Alloy 360, 1/2 Hard Contact Material: Beryllium Copper Alloy 172 HT
Tolerances:
   Lengths - ±.005
   Diameters - ±.002
   Angles - 2° Note: All dimensions are in inches
Part Builder and Ordering Information
                    
FP4015 -  X -   XX XX -   XX
     
Series Pin length
"A"
    Terminal
Plating
  Contact
Type
Contact
Plating
FP4042-1
FP4015
FP4018
FP4019
FP4021
FP4022
FP4023
FP4026
FP4027
FP4028
FP4275-1
FP4030
FP4031
FP4033
    01 - 200u" Tin over 100u"
Nickel
02 - 10u" Gold over 100u" Nickel
03 - 30u" Gold over 100u" Nickel
04 - 50u" Gold over 100u" Nickel
    36
40
41
42
44
45
See contact type
11 - 150u" Tin over 50u" Nickel
12 - 10u" Gold over 50u" Nickel
13 - 30u" Gold over 50u" Nickel
14 - 50u" Gold over 50u" Nickel
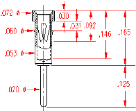
4042-1

.057 Min. Mtg. Hole
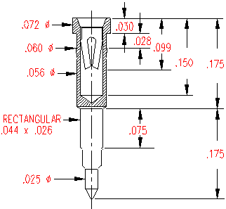
4015

.057 Min. Mtg. Hole
4018

Press-fit .038 +/- .002 Min. Mtg. Hole
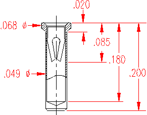
4019

.051 Min. Mtg. Hole
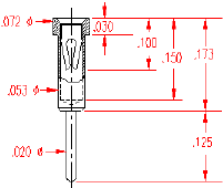
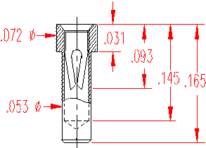
4020

.053 Min. Mtg. Hole
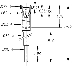
4021

.055 Min. Mtg. Hole
4022

.061 Min. Mtg. Hole
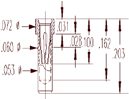
4023

.060 Min. Mtg. Hole
4026

.057 Min. Mtg. Hole
4027

.057 Min. Mtg. Hole
4028

.057 Min. Mtg. Hole
4275-1

.057 Min. Mtg. Hole
4030

.038-.040 Hole Prior to Soldering
4031

.022 or .057 Mtg. Hole
4033

.057 Min. Mtg. Hole

**Specifications subject to changes**
[Go to Search] [Back]