Saturday, April 4, 2026     
     Serving the Electronic Industries for Over 33 Years
Kestor Soldering Tools logo
Renata Lithium Button Coin Cells Batteries logo
E-Lab Semiconductors logo
Littelfuse Fuses Logo
     Electronic Components Distributor Logo                        
 Home
  |  View Account   |    Engineer's Corner    |  Contact Us  |  Cross Reference  |  Line Card  |  0 Item
Part Search
NTE Cross Ref. Search
Login
SRI Live Chat Help
call us email us contact us

Product Links

Inside SRI

About SRI
Contact Us
Careers
Link to Us!
Feedback

SRI-Newsletter
Subscribe to our newsletter to receive monthly specials, manufacturer's feature, and electronics news via email.

See Our latest release of SRI-Newsletter here

View Our List of Archived Newsletter Articles


SRI Links

Visit our Sister Site,

Distributor of

Industrial Products

  Web Search ..
  Powered by;

 One Piece Pin Receptacles
One Piece Pin Receptacles
 SPECIFICATIONS
Pin Material: Beryllium Copper Alloy 172 1/2 HD and Heat Treated After Forming
Tolerances:
   Lengths - ±.005
   Diameters - ±.002
   Angles - 2°
Note: All dimensions are in inches
Part Builder and Ordering Information
      
FP99     -   XX
 
Series Pin Plating
FP99 - (Straight)
FP98 - (Press-fit)
FP12 - (.050" Spacing Appli.)
FP2220 - (1mm)
11 - 150u" Tin over 50u" Nickel
12 - 10u" Gold over 50u" Nickel
13 - 30u" Gold over 50u" Nickel
14 - 50u" Gold over 50u" Nickel
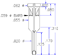
98 SERIES PIN



Head - .056 Mtg. Hole Accepts Leads: .017 dia. & .025 Sq. Posts
99 SERIES PIN

Head - .056 Mtg. Hole, Tail - Press-fit in .030±.003 Accepts Leads: .017 dia. & .025 Sq. Posts
12 SERIES PIN

Insertion Force - 20g Avg. with .018 dia. Pin
Head - .035 Mtg. Hole Accepts Leads: .015 - .022 dia.

2220 SERIES PIN

Head - .030 Mtg. Hole
Tail - .016 Mtg. Hole
Accepts Leads: .014 dia. & .012 Sq. Posts


P/N      A±.003 B±.003
----------------------
2220-1    .300   .180
----------------------
2220-2    .220   .100
----------------------
2220-3    .180   .060
----------------------
2220-4    .250   .130


**Specifications subject to changes**
[Go to Search] [Back]