Saturday, April 4, 2026     
     Serving the Electronic Industries for Over 33 Years
ECG NTE Relays Switches Meter Capacitor & Potentiometers logo
Catamount Cable Ties & Accessories logo
Velleman metter and eletronic kits logo
Nemco Capactitors Loco
     Electronic Components Distributor Logo                        
 Home
  |  View Account   |    Engineer's Corner    |  Contact Us  |  Cross Reference  |  Line Card  |  0 Item
Part Search
NTE Cross Ref. Search
Login
SRI Live Chat Help
call us email us contact us

Product Links

Inside SRI

About SRI
Contact Us
Careers
Link to Us!
Feedback

SRI-Newsletter
Subscribe to our newsletter to receive monthly specials, manufacturer's feature, and electronics news via email.

See Our latest release of SRI-Newsletter here

View Our List of Archived Newsletter Articles


SRI Links

Visit our Sister Site,

Distributor of

Industrial Products

  Web Search ..
  Powered by;

 106 Series PLCC Sockets
PLCC Socket with retention Clip
High Quality PLCC Socket with retention Clip photo
 Features
  • Accepts "JEDEC" type A, leaded chip carrier
  • Special contact design for high reliability and good withstanding to vibration and shock
  • Solder tails are positioned on .100"/2.54mm square grid
  • Stand-off's for cleaning and heat dissipation
  • Visual polarization for easy assembly
  • Retention clip for high vibration applications
  • Specifications

    Material
    Contact . . . . . . Phosphor Bronze
    Plating . . . . . . Tin/Lead over Nickel
    Insulator body . . . . . .
    PBT/Black
    PPS/Brown
    (PBT)Rated 94V-0
    Glass filled thermoplastic

    Electrical
    Current rating . . . . . . 1amp / Pin maximum
    Contact resistance . . . . . . 30 milliohms
    Insulation resistance . . . . . . 1000 MW @ 500 VDC

    Withstanding voltage
    500 VAC ( 1 min.)

    Mechanical
    Soldering temp . . . . . . 240° C
    Mechanical life . . . . . . min. 25 cycles
    Operating temp . . . . . . -65° C to +175° C


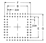
    Contacts
    A
    B
    C
    E
    F
    G
    28
    17.60/.693"
    7.62/.300"
    17.60/.693"
    7.62/.300"
    12.70/.500"
    12.70/.500"
    32
    17.60/.693"
    10.16/.400"
    20.14/.793"
    7.62/.300"
    15.24/.600"
    15.24/.600"
    44
    22.68/.893"
    12.70/.500"
    22.68/.893"
    12.70/.500"
    17.78/.700"
    17.78/.700"
    52
    25.22/.993"
    15.24/.600"
    25.22/.993"
    15.24/.600"
    20.32/.800"
    20.32/.800"
    68
    30.30/1.193"
    20.32/.800"
    30.30/1.193"
    20.32/.800"
    25.40/1.000"
    25.40/1.000"
    84
    35.38/1.393"
    25.40/1.000"
    35.38/1.393"
    25.40/1.000"
    30.48/1.200"
    30.48/1.200"


    retention Clips for High Quality PLCC Sockets photo
    Retention Clips
    PLCC Sockets 106 series demisions
    PLCC Sockets 106 series demisions
    PLCC Sockets 106 series demisions

    Part Builder and Ordering Information
    106

    106 -   28 -   1
         
    Series     Dip
    Number of Contact
      Retention Clip Option
    106     28
    32
    44
    52
    68
    84
          0 = without Retention Clip
    1 = with Retention Clip


    **Specifications subject to changes**
    [
    Go to Search] [Back]


    Page Links

    Part Numbering System


    Back